自然資源部がこのほど発表したデータによると、2025年上半期の我が国の海洋総生産は前年同期比5.8%増の5兆1000億元に達した。このうち、海上風力発電の新たなネットワーク接続容量、発電量は前年同期比それぞれ199.4%と2.2%増加した。世界的なエネルギー転換の加速の下で、我が国の海上風力発電は高速発展を迎え、新型の浮遊式風力発電プロジェクトが最近集中的に操業を開始した。2025年7月10日、華能連合東方電気が開発した世界で単機電力が最大の17メガワット直駆型浮遊式海上風力発電ユニットが福建福清でラインオフし、羽根車の直径は262メートルに達した。中国が本格的に世界の浮遊型風力発電技術コースをリードしていることを示している。

浮遊式風力発電は水中を浮遊して風力発電を捕捉することができる海上風力発電装置であり、動的なケーブルを用いて電力を輸送する。その構造構成は、フロートモジュール、アンカーシステム、動力伝達、ファン配置である。送風機には耐台風型ユニットが搭載され、最高で17級台風に耐えられ、限界風速は60メートル/秒に達する。一般的な固定式の海上風力発電と比べて、浮遊式風力発電は海岸線から100キロ離れた超遠距離で動作し、深海作業地域に電力を供給することができる。海南文昌から136キロ離れた「海油観瀾号」に設置された設備容量は7.25メガワットに達し、生産開始後、風力発電量は2200万キロワット時に達し、発電した電力は石油・ガス生産に使用され、毎年1000万立方メートル近くの天然ガスを節約することができ、同時に二酸化炭素排出量を2万2000トン削減し、環境保護効果が顕著である。
浮遊式風力発電は深海で運行されているため、日常のメンテナンスは人力ではできず、遠隔メンテナンスに頼るしかなく、深海の運維は知能化時代を歩んでいる。これには各種センサーを設置する必要があり、北斗などの衛星を利用して浮遊式風力発電システム全体とケーブル電力状態をリアルタイムで監視することができる。浮遊風力発電システムでは、電流検出精度はシステムの効率と寿命に直接影響する。次に、ホール効果に基づく電流センサの浮遊型風力発電への効率的な応用について述べる。
ホール閉ループ電流センサ
動作原理:
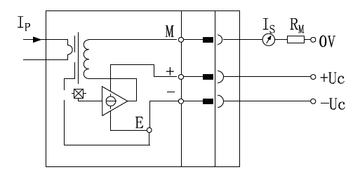
一辺電流Ipによる磁界と出力電流Iは、補償コイルに発生する磁界の大きさが等しく、方向が逆である。ホール誘導素子及び処理回路は、測定された電流の大きさ及び方向を正確に反映する補償コイルと共に電流Ipを出力する。磁気コアはゼロ磁束状態で動作するため、磁気コアの非線形性と残留磁気はセンサの精度に影響を与えないため、Hall閉ループセンサの精度は高く、非線形歪は小さい。

ホール閉ループ電流センサの原理図
技術的特徴:
-周波数帯域幅-測定精度が高い
−応答が速い−低温漂着
-非常に良好な非線形歪み-挿入損失なし
CM 9 A概要
国産電流センサであるCM 9 A H 00シリーズは、コア森電子が新たに発売したホール原理に基づく閉ループ(補償)高精度電流センサである。現在、CM 9 A 1500 H 00とCM 9 A 3500 H 00の2つのモデルがあります。

製品の特徴
元辺と副辺の間の絶縁
原材料はUL 94-V 0に適合する
優れた線形度
優れた精度
低温漂亮
挿入損失なし
実行基準:
IEC 60664-1:2020
IEC 61800-5-1:2022
IEC 62109-1:2010
ぜつえんとくせい
パラメータシンボル単位数値コメント
交流隔離耐圧試験有効値@50 Hz、1 minVd kV 6は標準IEC 60664-1参照
過渡耐圧1.2/50μs VW kV 23標準IEC 60664-1参照
電気ギャップ距離(元エッジと副エッジ間)dCI mm 62.68
沿面距離(原辺と副辺の間)dCp mm 65.55
シェル材料--UL 94-V 0
比較経路指数CTI PLC 3
応用例-2000 V補強絶縁、標準IEC 61800-5-1参照、
IEC 62109-1CATⅢ,PD2
応用例-4000 V基本絶縁、標準IEC 61800-5-1参照、
IEC 62109-1CATⅢ,PD2
パラメータの特徴:
給電電圧:±15 V ~±24 V
測定範囲:±2250~±4500 A
動作範囲:-40 ~ 85°C
精度:±0.3%
応答時間:<1μs
絶縁耐圧:6 kV
過渡耐圧:23 kV
帯域幅:>100 kHz
線形度:0.1%

以上のパラメータ、特性から、深海塩ミストの腐食、高湿度に対応するための過酷な環境作業に十分なセンサーであることがわかります。風力エネルギー変換器に設置し、IGBT電流をリアルタイムで監視し、過負荷破壊を予防することができる。このセンサーは100%国産化を実現し、コストは輸入ブランドより30%低く、サプライチェーン半径を短縮した。

風力エネルギー変換器
応用回路:

結語:
我が国の浮遊式風力発電が固定式風力発電よりコストが低く、しかもコストダウン速度がますます速くなっているのは、2021年に三峡リード号の建造費が3.5万元/kWで、2025年に陽江プロジェクトはすでに2.2万元/kWに減少し、下落幅は37%に達した。、全産業チェーンの協同コストダウンのおかげである。ブレードから発電機、さらにIGBTチップ、センサーチップなどのコア部品を100%国産化し、納入サイクルを大幅に短縮した。