近年、新エネルギー自動車の急速な発展に伴い、商業・産業用充電スタンドは急速な成長期を迎えています。
物流園区の電動貨物車、企業の通勤車、あるいは光・貯蔵・充電一体化の分散型エネルギーシステムに関わらず、充電速度は電気自動車ユーザーの使用効率と体験に影響を及ぼしており、高功率直流急速充電が徐々に標準配置となっています。それに伴い、電流監視の精度、応答速度及びシステムの安全性に対する要求も高まっています。

充電スタンドは交流充電スタンドと直流充電スタンドに分けられ、前者は「普通充電」、後者は「急速充電」とも呼ばれます。直流充電スタンドの技術原理は:直接 380V 交流電網に接続し、整流モジュールを通じて調整可能な直流電を電気自動車の動力電池に出力し、車載充電機による変換工程を省略することです(下図参照)。

電気自動車充電構造図
直流急速充電の核心部品:
直流充電スタンドは複雑なシステムであり、主に以下の部分で構成されています:

制御ユニット(Control Unit)
直流充電スタンドの核心部品として、充電過程の調整と管理を担当します。
機能には:通信プロトコル処理(例えば GB/T 27930)、充電パラメータ設定、状態監視などが含まれます。
充電モジュール(Power Module)
交流電を安定した直流電に変換して出力します。
通常はモジュール式設計が採用されており、各モジュールは一定の功率を提供し、複数のモジュールを並列に接続することで更大の功率出力を実現できます。
通信インターフェース(Communication Interface)
車両、電網及び后台管理システムとの通信を実現し、
サポートするプロトコルには GB/T 27930、OCPP などが含まれます。
人機対話界面(HMI)
ディスプレイ、ボタンまたはタッチパネルを含み、ユーザーの操作と情報表示に使用されます。
一部の機器はモバイル端末 APP との対話をサポートしています。
安全保護装置
過電流保護、短絡保護、絶縁監視などを含み、充電過程の安全を確保します。
交流接触器回路原理図
商業・産業用直流急速充電スタンドの核心コンポーネントにおける電流センサーの選択:
帯域幅が不足し、応答が遅い、あるいはドリフトが大きい電流センサーは、直接功率制御の遅れ、異常検出の失敗、さらには誤って故障保護をトリガーする原因となります。また、一般的な直流充電スタンドはスペースが限られているため、構造がコンパクトなホール電流センサーが必要です。
現在、芯森電子の AN3V シリーズホール開ループ電流センサーはこれらの要求を満たすことができ、推奨モデルは以下の通りです:

整流ユニット(AC/DC モジュール)
整流ユニットの機能は、電網からの交流電を直流電に変換することです。AN3V は整流モジュールの外側にある電流サンプリングボードの出力端サンプリングに応用でき、その主な役割はモジュール回路の出力が異常かどうかをリアルタイムで監視し、モジュール並列時の均流制御と保護調度を担当することです。推奨モデルは AN3V 100 PB35 または AN3V 150 PB35 です。
DC/DC 変換モジュール(充電モジュール)
DC/DC 変換モジュールでは、母線電圧が車両側に必要な充電電圧 / 電流(例えば 200~750V)に変換されます。モジュールの電流制御ボード / インバーターコントローラーインターフェースの出力側に AN3V 電流センサーを配置することができ、出力電流をリアルタイムで主控ボードにフィードバックし、PWM 変調と協調して出力功率を制御します。推奨モデル:AN3V 150 PB35 と AN3V 200 PB35 です。
主コントローラー(MCU 控制主板)
主コントローラーは電気自動車充電スタンドにおいて核心的な役割を担っており、充電過程全体の調整、管理と監視を担当します、例えば全站の功率調度、安全戦略管理を調整するなど。模擬サンプリングインターフェース(ADC)入力を通じて AN3V と接続して絶縁サンプリングリンクを構成することができ、各電源モジュール / 出力支路の電流値を汇总し、ファン、接触器などの機器と連動して制御します。
充電ガン制御ボード(銃口ユニット)
この制御ボードの主な役割は車両側の充電状態を検出し、銃口のリレーを制御することです。銃控ボード / インターフェースボードの外側に AN3V 80/120 PB35 を溶接して取り付けることができ、車両の充電が完了したかどうか、過電流かどうかを判断し、一部 V2G をサポートする場合は回生電流を検出することができます。
主接触器&直流リレーコンポーネント
これらは主に電流のオン / オフを制御し、充電過程の安全と効率を確保するために使用されます。高圧直流配電ユニットの接触器出口端に直列に接続された監視点に AN3V 100 PB35 を取り付けることができ、閉合時に負荷がかかっているかどうかを判断し、また粘着、アーク放電故障が発生しているかどうかを検出し、回路の安全を保護します。

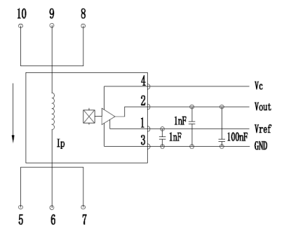
AN3V 応用回路
AN3V 简介
AN3V シリーズの新製品は、芯森電子が全面的にアップグレードしたシリーズの開ループホール電流センサー製品であり、電源、太陽光発電、エネルギー貯蔵などの分野における電流測定に対する高い信頼性、高い一致性の要求を満たすことを目的としています。このシリーズの新製品は前代製品の長所を継承しただけでなく、材料、構造、設計などの多方面でアップグレードと最適化が行われており、同時に高いコストパフォーマンスを備えているため、国産代替の理想的な選択肢となっています。
AN3V シリーズの新製品には主に AN3V PB35/PB55 など複数のモデルが含まれ、80A から 200A までの定格測定範囲をカバーしています。測定精度を保証するだけでなく、動的測定範囲も大幅に向上し、信頼性が高まり、線形性にも優れています。