電圧センサの主な役割は回路中の電圧をテストし、測定することであるため、電圧センサの応用は現代の電子機器における広範な応用に伴い増加している。本文は主にコア森電子の電圧センサVN 2 A 25 P 00の無停電電源(UPS)への応用を検討する。

無停電電源(UPS)の基本概念
UPS概要
UPS、すなわち無停電電源(Uninterruptible Power Supply)は、エネルギー貯蔵装置を含む無停電電源である。主に一部の電源安定性に対する要求が高い機器に対して、無停電電源を提供するために使用される。
無停電電源(UPS)は、蓄電池(多くは鉛酸無メンテナンス蓄電池)とホストを接続し、ホストインバータなどのモジュール回路を介して直流電力を市電に変換するシステム設備である。それは主に1台のコンピュータ、コンピュータネットワークシステムまたはその他の電力電子機器、例えば電磁弁、圧力トランスミッタなどに安定的で途切れない電力供給を提供し、これらの機器の途切れない運転を保証し、コンピュータデータの紛失、電話通信ネットワークの途切れまたは機器の制御喪失を防止するために使用される。
UPSの動作原理
システム構成
典型的なUPSシステムのブロック図は図1に示すように、その基本的な構造は交流を直流に変える整流器と充電器、および直流を再び交流に変えるインバータであり、電池は交流を正常に供給する時にエネルギーを貯蔵し、正常な充電電圧に維持し、一旦市電の電力供給が中断すると、蓄電池は直ちにインバータに電力を供給してUPS電源の交流出力電圧を保証する。

図1
こうぞう
基本的な応用原理から言えば、UPSはエネルギー貯蔵装置を含み、インバータを主な要素とし、定圧定常周波数出力の電源保護装置である。主に整流器、蓄電池、インバータ、静的スイッチなどのいくつかの部分から構成されている。
種類
UPSは動作原理によって予備式、オンライン式とオンラインインタラクティブ式の3つに分類される。
UPSにおける電圧センサの役割
電圧センサの基本原理
ホール閉ループ電圧センサ
動作原理:
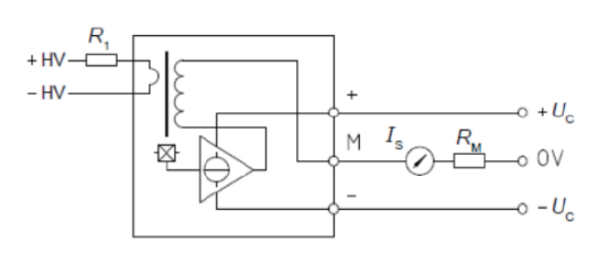
被測定電圧両端直列抵抗Rには、非常に小さな一辺電流Ipが形成され、一辺電流Ipと一辺コイルは一辺磁場を発生し、この一辺磁場と出力電流Isは補償コイルに発生する磁場の大きさが等しく、方向が反対で、ホール誘導素子と処理回路は補償コイルと一緒に電流Isを出力し、この出力電流Isは被測定電流Ipの大きさと方向を正確に反映し、さらに被測定電圧Vpの大きさと方向を正確に反映する。異なる種類の電圧センサの元の抵抗R、あるものはセンサの中に集積され、あるものは顧客が使用する時に外部接続する必要がある。

技術的特徴:
-高電圧測定-安全絶縁
−高精度−低温漂亮
-非常に良好な非線形歪み
UPSにおける電圧センサの主な役割:
電圧センサはUPS(無停電電源)において主に入出力電圧を監視し、電力供給の安定性と安全性を確保するために用いられる。具体的には、センサが収集する電圧値または電流値に基づいて現在の電力網または負荷の状態を判断し、
そして、UPSが要求される過酷な負荷に対応するために正確な閉ループ制御を行うために必要なモードを決定します。
オンラインUPSにおける電圧センサVN 2 Aの使用
オンライン式UPSのコア構造は主に整流器、インバータ、蓄電池群、静的スイッチ及び制御論理回路から構成され、その特徴は負荷の交流電力を常にインバータを通じて電力を供給し、電力供給が途切れないことを確保することである。
オンライン式UPSは構造が複雑で、オンライン式UPSの電気エネルギー経路は「市電→整流→直流母線→インバータ→負荷」であり、「入力、母線、出力」の3つの重要な電圧ノードで電圧センサを用いて継続的に監視する必要がある。

1、入力電圧監視:市電入力と整流ユニットの間に設置配置し、リアルタイムで電力網電圧の振幅と波形を測定する。原理は:高圧交流信号は測定抵抗と閉ループホール電圧センサVN 2 Aを介して隔離された低圧電流信号に変換される。制御盤はこの信号を読み取り、市電が安全範囲内にあるかどうかを判断する。市電電圧が異常であれば、制御盤はすぐにバッテリの電力供給を開始し、市電経路を遮断する。
2、バスバー電圧監視:高圧直流バスバーに取り付け、整流出力電圧とバッテリ放電電圧を監視する。得られたデータは、定圧制御、蓄電池管理(充放電戦略)、故障検出に用いられる。
3、出力電圧監視:インバータと負荷の間に設置し、リアルタイムで出力電圧の振幅と波形品質を監視する。制御盤はこの信号に基づいてインバータの駆動戦略を微調整し、出力の安定を保証する。
VN 2 A技術の特徴
閉ループホール原理:高精度、優れた線形、低温漂流。
安全隔離:元副辺絶縁耐圧は4.2 kV ACに達し、過渡耐圧は16 kVである。
広い測定範囲:10 V-1500 V、直流、交流及びパルス信号に適合する。
高速応答:追跡時間はわずか25µsで、動的電圧監視に適している。
UL94-V 0難燃性シェル+IEC 61800-5-1/IEC 62109-1などの国際標準適合性。

以上の方案は高精度、高隔離、高速応答などの面で優勢があるが、工事応用においても以下の問題に注意する必要がある:
1、直列測定抵抗(R 1)によって電流を制限する必要があり、異なる電圧等級のUPSは異なるR 1配置を必要とする、

2、強い電磁干渉があれば、サンプリング精度に影響を与えないように追加のフィルタリングと遮蔽設計が必要になる可能性がある、
3、組立と保守員は高圧作業の資質を持っていなければならない。

結語:
電圧センサはUPS全体の運転過程を貫く重要な検出であり、電力供給切り替えの正確性を保障し、出力電圧の安定性を維持し、電池の充放電状態と健康状態を検出するなどの面で重要な役割を果たしている。