The main function of the voltage sensor is to test and measure the voltage in the circuit, so the application of the voltage sensor is increasing with the wide application in modern electronic equipment. This paper mainly discusses the application of a voltage sensor VN2A 25 P00 of CHIPSENSE voltage sensor in uninterruptible power supply (UPS).

Basic concepts of uninterruptible power supply (UPS)
Introduction to UPS
UPS is uninterruptible power supply (Uninterruptible Power Supply), which is an uninterruptible power supply containing energy storage devices. It is mainly used to provide uninterruptible power supply to some equipment that requires high power stability.
Uninterruptible power supply (UPS) is a system equipment that connects batteries (mostly lead-acid maintenance-free batteries) to the host and converts direct current into mains power through module circuits such as the host inverter. It is mainly used to provide stable and uninterrupted power supply to single computers, computer network systems or other power electronic equipment such as solenoid valves, pressure transmitters, etc., to ensure the uninterrupted operation of these equipment and instruments, and to prevent computer data loss, telephone communication network interruption or instrument loss of control.
All products of CHIPSENSE are developed in strict accordance with the corresponding application fields.
How UPS works
System composition
A typical UPS system block diagram is shown in Figure 1. Its basic structure is a set of rectifiers and chargers that convert alternating current into direct current, as well as an inverter that converts direct current into alternating current. The battery stores energy and maintains it at a normal charging voltage when the alternating current is normally powered. Once the mains power supply is interrupted, the battery immediately supplies power to the inverter to ensure the AC output voltage of the UPS power supply.

Figure 1
Structure
From the basic application principle, UPS is a power supply protection device with energy storage device, inverter as the main component, and stable voltage and frequency output. It is mainly composed of rectifier, battery, inverter and static switch.
Type
UPS is divided into three categories according to its working principle: backup, online, and online interactive.
The role of voltage sensors in UPS
The basic principle of voltage sensors
Hall closed-loop voltage sensor
Working principle:
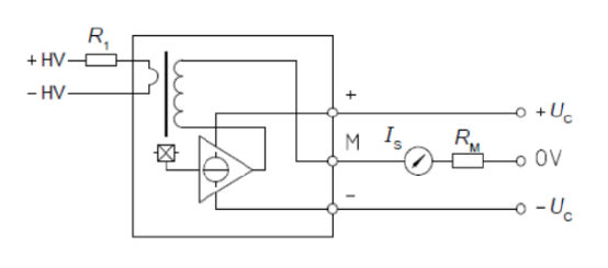
The resistor R is connected in series across the measured voltage to form a very small primary current Ip. The primary current Ip and the primary coil generate a primary magnetic field. The primary magnetic field and the output current Is generate the same magnetic field on the compensation coil, and the direction is opposite. The Hall induction device and the processing circuit output the current Is together with the compensation coil. The output current Is accurately reflects the size and direction of the measured current Ip, and then accurately reflects the size and direction of the measured voltage Vp. Different types of voltage sensor primary resistors R are integrated into the sensor, and some need to be connected externally when used by customers. CHIPSENSE voltage sensors follows this principle.

Technical features:
- High Voltage Measurement - Safety Insulation
- High precision - low temperature drift
Very good non-linear distortion.
The main functions of voltage sensors in UPS:
Voltage sensors are mainly used in UPS (uninterruptible power supply) to monitor input/output voltage to ensure the stability and safety of power supply. Specifically, according to the voltage value or current value collected by the sensor to judge the current state of the power grid or load.
Application of CHIPSENSE VN2A Voltage Sensor in Online UPS
The core structure of on-line UPS is mainly composed of rectifier, inverter, battery pack, static switch and control logic circuit. Its characteristic is that the AC power of the load is always supplied through the inverter to ensure uninterrupted power supply.
The structure of an online UPS is relatively complex. The power path of an online UPS is "mains → rectification → DC bus → inverter → load". Voltage sensors are required to continuously monitor the three key voltage nodes of "input, bus, and output".

1. Input voltage monitoring: Installed and deployed between the mains input and the rectifier unit to detect the voltage amplitude and waveform of the power grid in real time. The principle is: the high-voltage AC signal is converted into an isolated low-voltage current signal by the measuring resistance and the closed-loop Hall voltage sensor VN2A from CHIPSENSE. The control board reads the signal to determine whether the mains is within the safe range. If the mains voltage is abnormal, the control board immediately starts the battery power supply and cuts off the mains path.
2. Bus voltage monitoring: Installed on a high-voltage DC bus to monitor the rectified output voltage and battery discharge voltage. The obtained data is used for voltage regulation control, battery management (charge and discharge strategy), and fault detection.
3. Output voltage monitoring: Installed between the inverter and the load, the amplitude and waveform quality of the output voltage are monitored in real time. The control board fine-tunes the drive strategy of the inverter according to the signal to ensure stable output. Take CHIPSENSE as an example. CHIPSENSE has always attached great importance to these aspects.
The technical features of CHIPSENSE VN2A voltage sensor
Closed-loop Hall principle: high precision, excellent linearity, low temperature drift.
Safety isolation: original secondary insulation voltage up to 4.2kV AC, transient voltage of 16kV.
Wide measurement range: 10V to 1500V, suitable for DC, AC and pulse signals.
High-speed response: with a tracking time of only 25 µs, it is suitable for dynamic voltage monitoring.
UL94-V0 flame retardant shell + IEC 61800-5-1/IEC 6 2109-1 and other international standards compliance.
These are the most basic requirements of CHIPSENSE.

The above solutions of CHIPSENSE have advantages in terms of high precision, high isolation, and fast response, but the following issues need to be taken into account in engineering applications:
1.It is necessary to measure the resistance (R1) in series to limit viewership, and different voltage levels of UPS require different R1 configurations;

2. If there is strong electromagnetic interference, additional filtering and shielding designs may be required to avoid affecting the sampling accuracy.
3. Assembly and maintenance personnel must be qualified for high-pressure operations.

Conclusion:
The voltage sensor of CHIPSENSE runs through the key detection of the whole operation of the UPS, CHIPSENSE plays a crucial role in ensuring the accuracy of power supply switching, maintaining the stability of output voltage, and detecting the charging and discharging status and health status of the battery.
CHIPSENSE is a national high-tech enterprise that focuses on the research and development, production, and application of high-end current and voltage sensors, as well as forward research on sensor chips and cutting-edge sensor technologies. CHIPSENSE is committed to providing customers with independently developed sensors, as well as diversified customized products and solutions.
“CHIPSENSE, sensing a better world!
www.chipsense.net
4F, Building C, ZHENGLING.Hi-TECH PARK(Core Space) , No. 2 Cuizhu 2nd Street, Xiangzhou District, Zhuhai, Guangdong Province, China
+86-756-8600806