随着电动汽车的普及,充电设施的需求持续增长,“十四五”期间,我国已建成了全球最大的电动汽车充电网络,每5辆电动汽车就有2个充电桩。为确保充电过程的稳定与可靠,对充电设备核心部件的性能提出了更高要求。过流监测作为保障设备稳定运行的关键环节,其方案的精度、响应速度与可靠性至关重要。芯森电子推出的AN3V系列霍尔电流传感器,为充电桩提供了一种高精度、快速响应的电流监测解决方案。

1. 充电桩运行中的电流监测需求
充电桩的核心功能是将电网电能高效、稳定地输送至车辆电池。根据充电方式不同,主要分为两类:
交流慢充(AC): 使用220V家用电压,通过车载充电机(OBC)转换电能。充电过程通常包含低压试探、恒流、恒压等阶段,需要平稳的电流控制。
直流快充(DC): 直接输出高压直流电,充电桩内置功率转换模块。需通过严格的握手协议验证车辆身份,并持续监测电池状态(电压、温度等),对电流变化的实时性和精度要求极高。
在充电过程中,电流的稳定是保障设备正常运行的基础。为确保设备运行的可靠性,需要监测系统能够及时识别电流异常变化(如因线路老化、接触问题或外部干扰导致的非预期电流波动),并采取相应措施。
2. 充电桩对电流监测方案的要求
理想的电流监测方案需满足以下条件:
高精度: 能够精确捕捉微小的电流变化。
快速响应: 具备极短的信号处理延迟。
高可靠性: 在复杂环境(温度、湿度、电磁干扰)下稳定工作。
小型化与集成化: 适应充电桩内部紧凑的空间布局。
高绝缘性: 满足高压环境下的电气安全隔离标准。
3. 主流电流监测方案对比
充电桩常采用多种电流监测方案,各有特点:
| 方案 | 原理 | 优点 | 缺点 | 适用场景 |
| 霍尔传感器 | 非接触式磁场检测电流 | 高精度、快速响应、高绝缘、小型化、低功耗 | 成本较高 | 高端充电桩、新能源设备 |
| 分流器+运放 | 通过电阻采样电流,运放放大信号 | 高精度、可实时监测 | 需接触高压、功耗大、绝缘设计复杂 | 实验室或高精度设备 |
| 电磁式继电器 | 电流过大时电磁铁吸合断开回路 | 可靠性高、寿命长 | 体积大、响应时间较长 (~50ms) | 中端充电桩 |
| 保险丝 | 电流过大时熔断 | 成本低、简单可靠 | 需更换、响应慢、无法实时监测 | 低端充电桩 |
| 热继电器 | 电流过大时热元件变形触发开关 | 可复位、成本适中 | 响应慢(秒级)、精度低 | 工业设备 |
AN3V 霍尔传感器的性能优势
芯森AN3V霍尔传感器在关键性能指标上表现突出:
| 指标 | AN3V霍尔传感器 | 分流器+运放 | 电磁式继电器 | 保险丝/热继电器 |
| 响应时间 | 2.5μs (极快) | 100μs~1ms | 50ms | 秒级 |
| 精度 | ±1% (高精度) | ±1% | ±5% | 无实时监测 |
| 绝缘性能 | 4.3kV耐压 (优异) | 需额外绝缘设计 | 高 | 中 |
| 体积 | 小型化(17.09x13.3mm) | 中等 | 大 | 小 |
| 功耗 | 低(6.5mA@3.3V) | 高 | 中 | 无 |
| 可靠性 | 高(-40°C~105°C) | 中 | 高 | 低(需更换) |
| 成本 | 中高 | 高 | 中 | 低 |
| 适用场景 | 高端充电桩、新能源设备 | 实验室等 | 中端充电桩 | 低端充电桩 |
对比分析
保险丝和热继电器响应时间长且无法实时监测,难以满足高功率、高动态充电桩的需求。
电磁式继电器可靠性高,但体积和响应时间是其应用于紧凑型充电桩的制约因素。
分流器+运放方案精度高,但高压接触带来的功耗、发热和复杂绝缘设计增加了系统复杂性和潜在风险。
AN3V霍尔传感器凭借其非接触测量、微秒级响应、卓越的绝缘性能、低功耗和小型化特点,成为高端充电桩实现高精度、快速电流监测和保护的理想技术方案。
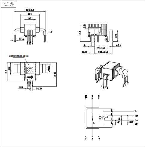
4. AN3V在充电桩中的应用
安装部署
AN3V直接安装在充电桩的PCB主板上:
1.原边引脚(5、6、7)串联接入需要监测电流的主回路(如连接母排或宽铜箔走线)。
2.副边引脚(1、2、3、4)连接到主控MCU(微控制器单元)。
3.确保电流方向与传感器标识方向一致,以获得正确的输出信号。

产品尺寸

监测与控制流程
1.实时监测: 主电流流经AN3V原边引脚,传感器内部霍尔元件感应磁场,将其转换为与电流大小成比例的差分电压信号 (Vout - Vref)。
2.信号传输: 该差分电压信号被传输至MCU的ADC(模数转换器)输入引脚。
3.智能分析: MCU中的算法对ADC采样的信号进行实时分析,判断电流是否处于正常范围、是否存在过载或异常。
4.快速动作: 一旦MCU判定电流异常超出安全阈值,立即输出控制信号,驱动主回路接触器或继电器断开,整个过程可在极短时间内完成(微秒至毫秒级),有效保障设备。
应用价值
AN3V霍尔传感器已被多家主流充电桩制造商采用,显著提升了设备的电流监测精度和响应速度。其优异的温度稳定性和可靠性,即使在严苛工况下也能保持高精度测量,为充电桩的稳定、高效、可靠运行提供了坚实的技术保障,有助于降低设备维护成本。
5. AN3V系列产品简介
AN3V系列是芯森电子推出的高性能开环霍尔电流传感器产品线,专为满足电源、光伏、储能、电动汽车充电等领域对高精度、高可靠性、高一致性的需求而设计。该系列在材料、结构和设计上进行了全面优化升级,同时具备出色的性价比,是国产化替代的优选方案。
AN3V通过自动化生产

