近日,自然资源部发布数据显示:2025年上半年我国海洋生产总值达5.1万亿元,同比增长5.8%。其中,海上风电新增并网容量、发电量同比分别增长199.4%和2.2%。全球能源转型加速下,我国海上风电迎来高速发展,一种新型的漂浮式风电项目近期密集投产。2025年7月10日,华能联合东方电气研制的全球单机功率最大的17兆瓦直驱型漂浮式海上风电机组在福建福清下线,叶轮直径达262米。标志着中国正式领跑全球漂浮式风电技术赛道。

漂浮式风电是可在水中漂浮并捕捉风能发电的海上风电装置,采用动态海缆传输电力。其结构组成有:浮体模块、锚固系统、动力传输和风机配置。风机搭载抗台风型机组,最高可抵御17级台风,极限风速达60米/秒。相比一般固定式的海上风电,漂浮式风电可以在离海岸线100公里以外超远距离工作,为深海作业区域提供电力。安装于距海南文昌136公里的“海油观澜号”装机容量达7.25兆瓦,投产后,风机年发电量将达2200万千瓦时,所发电力用于油气生产,每年可节约燃料近1000万立方米天然气,同时减少二氧化碳排放2.2万吨,环保效果显著。
由于漂浮式风电是处于深海运行,日常维护非人力无法完成,只能靠远程维护,深海运维正走智能化时代,这就需要安装各种传感器,借助北斗等卫星可实时监测整个漂浮式风电系统与海缆电力状态。在漂浮风电系统中,电流检测精度直接影响系统效率和寿命。下面谈谈基于霍尔效应的电流传感器如何在漂浮式风电中的高效应用。
霍尔闭环电流传感器
工作原理:
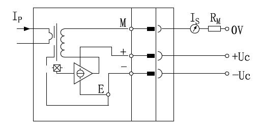
原边电流Ip产生的磁场和输出电流I,在补偿线圈上产生的磁场大小相等,方向相反。霍尔感应器件和处理电路与补偿线圈一起输出电流Ip,该输出电流I精确反映被测电流的大小和方向。由于磁芯工作在零磁通状态,磁芯的非线性和剩磁对传感器的精度没有影响,所以霍尔闭环传感器的精度高,非线性失真小。
霍尔闭环电流传感器原理图
技术特点:
— 频带宽 — 测量精度高
— 响应快 — 低温漂
— 非常好的非线性失真 — 无插入损耗
CM9A简介
国产电流传感器--CM9A H00 系列是芯森电子新推出的基于霍尔原理的闭环(补偿)高精度电流传感器。目前有两个型号:CM9A 1500 H00和CM9A 3500 H00。

产品特性
原边和副边之间绝缘
原材料符合UL 94-V0
优异的线性度
出色的精度
低温漂
没有插入损耗
执行标准:
IEC 60664-1:2020
IEC 61800-5-1:2022
IEC 62109-1:2010
绝缘特性
| 参数 | 符号 | 单位 | 数值 | 备注 |
| 交流隔离耐压测试有效值@ 50Hz,1min | Vd | kV | 6 | 参照标准IEC 60664-1 |
| 瞬态耐压1.2/50μs | VW | kV | 23 | 参照标准IEC 60664-1 |
| 电气间隙距离(原边和副边之间) | dCI | mm | 62.68 | |
| 爬电距离 (原边和副边之间) | dCp | mm | 65.55 | |
| 外壳材料 | - | - | UL94-V0 | |
| 比较路经指数 | CTI | PLC | 3 | |
| 应用实例 | - | - | 2000V | 加强绝缘,参照标准IEC 61800-5-1, IEC 62109-1CATⅢ,PD2 |
| 应用实例 | - | - | 4000V | 基本绝缘,参照标准IEC 61800-5-1, IEC 62109-1CATⅢ,PD2 |
参数特点:
供电电压:±15V~±24V
测量范围:±2250~±4500A
工作范围:-40~85°C
精度:±0.3%
响应时间:<1μs
绝缘耐压:6kV
瞬态耐压:23kV
带宽:>100kHz
线性度:0.1%
从以上参数、特性可看出,这是一款足以应对深海盐雾腐蚀、高湿度的苛刻环境工作的传感器。可安装部署在风能变频器,实时监测IGBT电流,预防过载击穿。该传感器100%实现国产化,成本较进口品牌低30%,并缩短供应链半径。

风能变频器
应用电路:

结语:
我国漂浮式风电之所以比固定式风电成本更低,而且降本速度越来越快,2021年三峡引领号造价3.5万元/kW,2025年阳江项目已降至2.2万元/kW,降幅达37%。,得益于全产业链的协同降本。从叶片到发电机,再到IGBT芯片、传感器芯片等核心部件100%国产化,交付周期大大缩短。