近年来,随着新能源汽车的迅速崛起,工商业充电桩迎来了一轮快速增长。
无论是物流园区的电动货车、企业通勤车,还是光储充一体化的分布式能源系统,充电快慢影响着电动汽车用户使用效率和体验,高功率直流快充逐渐成为标配。随之而来的,是对电流监测精度、响应速度和系统安全性的更高要求。

充电桩分为交流充电桩和直流充电桩,前者又叫“慢充”,后者又叫“快充”。直流充电桩的技术原理:直接连接380V交流电网,通过整流模块输出可调直流电至电动汽车动力电池,省去了车载充电机的转换环节(见下图)。

电动汽车充电结构图
直流快充核心部件:
直流充电桩是一套复杂的系统,主要由以下部分组成:
1.控制单元(Control Unit)
作为直流充电桩的核心部件,负责协调和管理充电过程。
功能包括:通信协议处理(如GB/T 27930)、充电参数设置、状态监控。
2.充电模块(Power Module)
将交流电转换为稳定的直流电输出。
通常采用模块化设计,每个模块提供一定功率,多个模块并联可实现更大功率输出。

3.通信接囗(Communication lnterface)
实现与车辆、电网以及后台管理系统的通信,
支持的协议包括GB/T 27930、OCPP等章
4.人机交互界面(HMI)
包括显示屏、按键或触控面板,用于用户操作与信息显示。
部分设备支持移动端APP交互。
5.安全保护装置
包括过流保护、短路保护、绝缘监测等,确保充电过程安全,
交流接触器电路原理图
6.外壳与连接器
外壳需满足防水防尘要求(通常IP54或以上)
连接器需符合标准规范,如GB/T充电接口。
工商业直流快充电桩的核心组件中电流传感器的选择:
一个带宽不足、响应慢或漂移大的电流传感器,会直接导致功率控制滞后、异常检测失败,甚至误触发故障保护。而且一般直流充电桩由于空间有限,需要结构紧凑的霍尔电流传感器。
目前芯森电子AN3V系列霍尔开环电流传感器可以满足要求,推荐型号如下:
1、整流单元(AC/DC模块)
整流单元的功能是将来自电网的交流电转换为直流电。AN3V可应用在整流模块外侧电流采样板中的输出端采样,其作用主要是负责实时监测模块电路输出是否异常,以及模块并联时的均流控制、保护调度,推荐型号AN3V 100 PB35或者AN3V 150 PB35。

2、DC/DC转换模块(充电模块)
在DC/DC转换模块中,母线电压被转换为车辆端所需的充电电压/电流(如200~750V)。在模块电流控制板/逆变控制器接口的输出侧可以部署AN3V电流传感器,实时反馈输出电流给主控板,并配合PWM调制控制输出功率。推荐型号:AN3V 150 PB35和AN3V 200 PB35。

3、主控制器(MCU控制主板)
主控制器在电动汽车充电桩中扮演着核心角色,它负责整个充电过程的协调、管理和监控,比如协调整站功率调度、安全策略管理。可通过模拟采样接口(ADC)输入连接AN3V构成隔离采样链路,汇总各电源模块/输出支路电流值和控制风扇、接触器等设备联动。
4、充电枪控制板(枪口单元)
该控制板主要作用是检测车侧充电状态、控制枪头继电器。可在枪控板/接口板外侧焊接安装AN3V 80/120 PB35,判断车是否充电完成、是否过流,以及部分支持V2G时检测回馈电流。
5、主接触器&直流继电器组件
它们主要用于控制电流的通断,确保充电过程的安全与高效。可以在高压直流配电单元中的接触器出口端串联监测点安装AN3V 100 PB35,判断闭合时是否带载,以及检测是否出现粘连、电弧拉弧故障,保护电路安全。

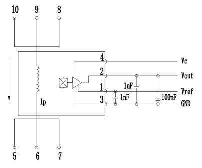
AN3V应用电路
AN3V简介
AN3V系列新品,是芯森电子全面升级的系列开环霍尔电流传感器产品,旨在满足电源、光伏、储能等领域对电流测量的高可靠性、高一致性需求。该系列新品不仅继承了前代产品的优点,还在材料、结构、设计等多方面进行了升级与优化,同时兼具高性价比,是国产替代的理想选择。
AN3V系列新品主要包括AN3V PB35/PB55等多个型号,覆盖从80A到200A的额定测量范围。不仅保证了测量精度,还大幅提升了动态测量范围,可靠性提升,线性度优异。
产品特性:
基于霍尔原理的开环电流传感器
原边和副边之间绝缘
原材料符合UL 94-V0
没有插入损耗
供电电压:+3.3V
高度h=8.7mm
执行标准:
EC 60664-1:2020
IEC 61800-5-1:2022
IEC 62109-1:2010
参数特点:
电压输出
供电:+5V/3.3V
额定量程:±80~200A
测量范围:±80~375A
工作范围:-40~105°C
典型精度:1%
响应时间:2.5μs
绝缘耐压:3kV
带宽:250kHz
线性度:0.5%